粉状物料储库卸料用气动开关阀,德国标准设计制造并升级,已超越德国同类产品。旋转气缸及限位装置为英国Kinetrol或台湾Airtac,可根据客户要求选择。
设计特点
·旋转气缸及限位装置:英国Kinetrol或台湾Airtac
·焊接外壳,更耐用,更可靠
·ZGMn13-2 材料耐高温耐磨损 ·开关控制灵敏,启闭时间2秒 · 开关信号控制
· 电磁阀和油水分离器:亚德客(中国台湾)
·密封结构是可更换抽屉式的紧密模块设计,易维护且维修成本低
·密封材料:高密度优质羊毛毡 · 最大工作温度:300℃
· 噪音低,振动小
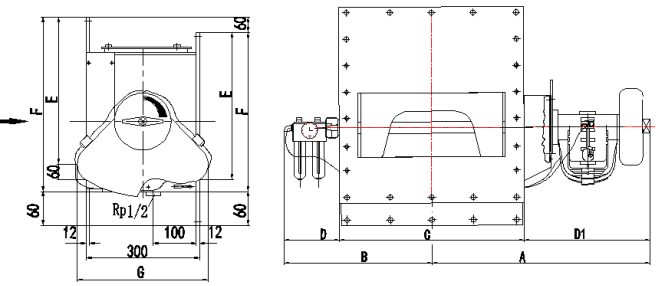
尺寸图:
技术参数
尺寸(mm) | B200 | B250 | B300 | B400 | B500 | B630 | B800 |
最大流量(m³/h) | 40-260 | 60-360 | 70-480 | 90-650 | 110-820 | 140-1450 | 170~1800 |
阀体直径宽(mm) | 200 | 250 | 300 | 346 | 346 | 346 | 440 |
阀体直径长(mm) | 346 | 346 | 346 | 400 | 500 | 600 | 800 |
流通面积(m²) | 0.012 | 0.014 | 0.017 | 0.026 | 0.032 | 0.051 | 0.08 |
最大扭矩(Nm) | 250 | 250 | 500 | 1000 | 1000 | 2000 | 2000 |
电动执行器角度(°) | 90 | ||||||
输入电压(V) | 220/24V | ||||||
输入&输出信号(mA) | 4~20 | ||||||
规格(单位mm)
规格尺寸(mm) | B200 | B250 | B300 | B400 | B500 | B630 | B800 |
最大流量(m³/h) | 40-260 | 60-360 | 70-480 | 90-650 | 110-820 | 140-1450 | 170~1800 |
阀体直径宽(mm) | 200 | 250 | 300 | 346 | 346 | 346 | 440 |
阀体直径长(mm) | 346 | 346 | 346 | 400 | 500 | 600 | 800 |
流通面积(m²) | 0.012 | 0.014 | 0.017 | 0.026 | 0.032 | 0.051 | 0.08 |
最大扭矩(Nm) | 250 | 250 | 500 | 1000 | 1000 | 2000 | 2000 |
电动执行器角度(°) | 90 | ||||||
输入电压(V) | 220/24V | ||||||
输入&输出信号(mA) | 4~20 | ||||||
尺寸 | A | B | C | E | F | G | 重量(Kg) |
200 | 460 | 385 | 290 | 375 | 484 | 300 | 80 |
250 | 485 | 410 | 340 |
398 |
520 | 88 | |
300 | 585 | 435 | 390 |
355 | 117 | ||
350 | 610 | 460 | 440 | 121 | |||
400 | 635 | 485 | 490 | 126 | |||
500 | 685 | 535 | 590 | 148 | |||
630 | 750 | 600 | 730 | 575 | 730 | 165 | |
800 | 810 | 591 | 900 | 745 | 900 | 530 | 190 |
特殊规格可定制


