耐高温1000℃无动力重锤翻板阀设有大小检修门,维护方便,能长期摆动灵活,密封严密。在高温物料易结皮的情况下,设有阀板周围压缩空气吹扫装置。垂直管道推荐用双翻板阀,倾斜管道推荐用单翻板阀。
设计特点
· 适用于φ350mm-Φ1250mm 高温物料下料管的卸料锁风。
· 翻板阀型式有单板翻板阀和双板翻板阀。单板翻板阀适用于倾斜的下料管,双板翻板阀适用于垂直的下料管。 · 阀板移动距离短,阀杆摆动角度小、频率较高,下料均匀,不易造成内漏风。
· 阀轴支撑采用滚动轴承,密封形式为高碳纤维盘根迷宫式密封,避免阀侧漏风和漏灰,降低支撑活动点温度,减少阀轴磨损,阀轴转动灵活,使用寿命长。
· 依据翻板阀的使用位置和工况,阀轴和阀板选用优质耐热钢。物料温度在300~600摄氏度的翻板阀,阀轴和阀板材质1Cr18Ni9Ti,物料温度在600~1000摄氏度的翻板阀,阀轴和阀板材质为ZG40Cr25Ni2OSi2。
· 设置配重调节器,方便调节阀杆和重锤的力矩,配重准确。
·设置检修门。检修时,可将阀板旋出壳体外,检查和清除阀体内结皮; 阀板拆装、更换方便。阀板背面中心点正对壳体处设有运行维护门, 可在运行中穿上高温防护服处理阀板周围与浇注料之间的结皮。检修门采用硅酸铝纤维板和陶瓷纤维盘根双重密封。
· 进料口、出料口偏心布置,保持进料、出料与阀板卸料中心一致。
· 翻板阀预制耐火浇筑料,隔热性能保证。
· 阀壳体设置加强筋,壳体强度保证。
· 对于物料温度在600~1000摄氏度的翻板阀配置压缩空气吹扫装置,防止阀体结皮。
· 设置启闭便捷的下料口密封捅料筒。
· 配备检修用的挂钩及挂索,检修时,可将阀板全开或全闭。
· 可配置可拆卸的安全防护罩。
· 翻板阀供货时可提供配对法兰。
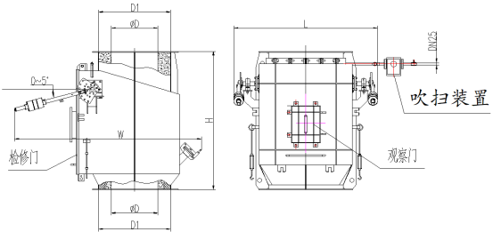
高温单翻板阀尺寸图:

高温单翻板阀规格(单位mm)
规格 | D | D1 | H | W | L | 重量 |
φ500 | 500 | 700 | 1500 | 1400 | 2200 | 2254 |
O600 | 600 | 800 | 1600 | 1600 | 2980 | 2650 |
φ700 | 700 | 900 | 1750 | 1700 | 3100 | 2950 |
①800 | 800 | 1000 | 1850 | 1800 | 3200 | 3600 |
φ900 | 900 | 1100 | 1950 | 1900 | 3300 | 4200 |
φ1000 | 1000 | 1200 | 2050 | 2000 | 3400 | 4700 |
特殊规格可定制
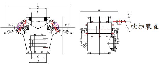
高温双翻板阀尺寸图:


规格(MM)
规格 | D | D1 | H | W | L | 重量 |
φ500 | 500 | 700 | 1500 | 1400 | 2250 | 2673 |
Φ600 | 600 | 800 | 1600 | 1600 | 2650 | 3100 |
①700 | 700 | 900 | 1750 | 1700 | 2850 | 3400 |
①800 | 800 | 1000 | 1850 | 1800 | 3050 | 4200 |
Φ900 | 900 | 1100 | 1950 | 1900 | 3250 | 4800 |
①1000 | 1000 | 1200 | 2050 | 2000 | 3450 | 5400 |
特殊规格可定制


