防爆型煤粉仓专用气动闸板阀,双重密封不外漏,德国标准设计制造并升级,已超越德国同类产品。驱动气缸品牌为中国的台湾Airtac或广东肇庆,可根据客户要求选择。
设计特点
· 开关信号控制
·外形美观、结构紧凑、无卡阻,安装使用方便,不受角度限制。
· 阀板采用高档不锈钢耐热材料制成,具有良好的高温防锈性能、耐 磨性强 。
· 阀体内设有耐磨密封套,耐磨密封套内填充石墨盘根,对称设置在 阀板两侧与阀板两侧紧密相贴,间隙为0毫米,加上一段料密封结构, 做到粉尘无外漏。
·采用双作用双气缸驱动,防爆电磁阀,施耐德防爆行程开关传输信号,工作动作平稳、 振动小、噪音低、信号传输准确。
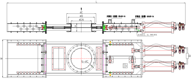
尺寸图:
技术参数
规格(mm) | 400(400X400) | 500(500X500) | 600 (600X600) | 700(700X700) | 800(800X800) | 900(900X900) | 1000(1000X1000) |
能力(m³/h) | 110 | 180 | 260 | 353 | 460 | 583 | 720 |
空气压力(Mpa) | 0.4~0.7 | ||||||
工作温度(℃) | ≤250 | ||||||
规格(单位:mm)
规格 | DN(φ) | B | N×φC | W | E | H | L | 重量(Kg) |
400 | 400 | 550 | 20×φ20 | 920 | Φ720 | 205 | 3752 | 520 |
500 | 500 | 650 | 20×φ26 | 1120 | Φ820 | 205 | 4352 | 624 |
600 | 600 | 750 | 20×φ26 | 1320 | Φ920 | 205 | 4752 | 750 |
700 | 700 | 850 | 24×φ30 | 1520 | Φ1020 | 300 | 5152 | 846 |
800 | 800 | 950 | 30×φ30 | 1720 | Φ1120 | 350 | 5552 | 950 |
特殊规格可定制


